beats365(中国区)官网入口-网页版
设为首页
|
加入收藏
本站首页
关于我们
beats365官网入口概况
机构设置
培养方案
专业介绍
外院动态
外院新闻
通知公告
安全校园
党团建设
党建工作
团建工作
工会工作
团队队伍
英语
俄语
日语
大学英语
课程建设
优秀课
精品课
网络课
科研工作
学术论文
教材专著
科研立项
学术会议
审核评估
评估文件
质量保证
员工工作
学工管理
规章制度
员工活动
人才招聘
文件下载
本站首页
>
关于我们
>
培养方案
>
正文
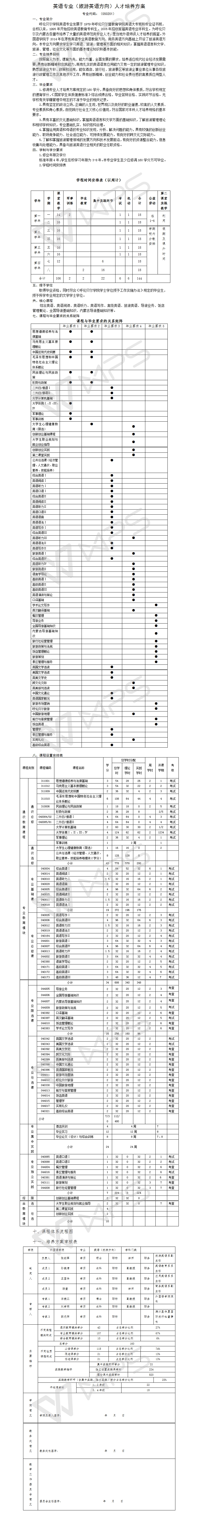
2017版旅游英语人才培养方案
来源:admin
发布于:2018-06-04
上一条:
2017英语专业(商务英语方向)选课指导(课程配置流程图)
下一条:
2017英语专业(旅游方向)选课指导(课程配置流程图)